Ventiladores e Respiradores Mecânicos
VENTILADORES E RESPIRADORES MECÂNICOS
16/04/2021
Em carta para o editor pesquisadores citam que a orientação atual para o manejo de pacientes com infecção por COVID-19 sugere que uma sala com fluxo de ar negativo é preferida durante o tratamento de nebulização com aerossol e que médicos e enfermeiras devem usar batas, luvas, respiradores N95 e proteção para os olhos. Os pesquisadores citaram que, embora um inalador dosimetrado possa ter um menor efeito de disseminação do aerossol, seu uso para pacientes com dificuldade respiratória é geralmente limitado. Assim, os pesquisadores relataram que desenvolveram uma nova máscara reutilizável para pacientes com infecção respiratória que pode prevenir a possível disseminação do aerossol durante o tratamento de nebulização (janeiro/2021). Fonte: Journal of the Formosan Medical Association

26/02/2021
Capacete com mecanismo de respiração artificial não invasivo criado no CE pode reduzir internações em UTI por COVID-19 e intubação em até 60%. Equipamento batizado de Elmo foi desenvolvido por força-tarefa público-privada no estado. O equipamento envolve toda a cabeça do paciente e é fixado no pescoço em uma base que veda a passagem de ar. Com a aplicação de oxigênio e ar comprimido, o Elmo gera uma pressão positiva que ajuda pacientes com dificuldade de oxigenação. Dessa forma, ele é indicado para o tratamento de pacientes com quadro clínico moderado, mas também auxilia casos que começam a evoluir para gravidade. O equipamento tem um custo relativamente baixo – estimado entre R$ 1,2 mil e R$ 1,5 mil. Além disso, o Elmo pode ser esterilizado e reutilizado em outros pacientes, além de aumentar a segurança dos profissionais de saúde, já que, por ser vedado, não permite a proliferação de partículas de vírus. Depois de ser testado por cinco meses ao longo de 2020 em pacientes no Hospital Leonardo da Vinci, em Fortaleza – comprovando sua eficácia no tratamento de insuficiência respiratória –, o equipamento recebeu em outubro aprovação da Agência Nacional de Vigilância Sanitária (Anvisa) para produção em escala industrial, que ficou a cargo da empresa Esmaltec (19/02/2021). Fonte: CNN Brasil

16/12/2020
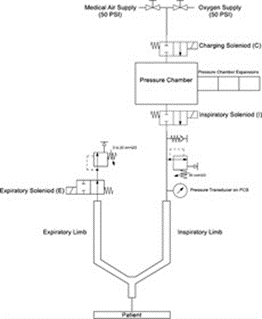
Estudo projeta um ventilador com os seguintes critérios: 1) componentes padrão que sejam acessíveis ao público, 2) compatibilidade de "código aberto" para permitir que qualquer pessoa recrie facilmente o sistema, 3) capacidade de ventilar em síndrome da angústia respiratória aguda e 4) menor custo possível para fornecer oxigenação e ventilação adequadas. O projeto básico envolve três válvulas solenóides controladas eletricamente, uma câmara de pressão, o circuito de respiração do paciente, uma válvula de pressão expiratória final positiva e um sistema de controle eletrônico. Vários elementos de segurança foram integrados ao design. A interface amigável permite o controle simples das configurações do ventilador. O ventilador fornece uma forma híbrida de ventilação pneumática com controle assistido, com volumes correntes previstos de 300–800 mL, pressão expiratória final positiva de 0–20 cm H2O e Fio2 de 21–100% (02/12/2020). Fonte: Critical Care Explorations

06/11/2020
Capacete para minimizar problemas respiratórios de pacientes com COVID-19 tem eficácia comprovada. O Capacete cobre rosto e a cabeça de pacientes e ajuda na respiração de pessoas com pulmão comprometido devido à doença. Os resultados de testes clínicos realizados com o Elmo, capacete de respiração assistida para tratar pacientes com quadro leve ou moderado de COVID-19, mostraram que o aparelho é útil no auxílio ao tratamento de COVID-19 em pacientes internados. Um dos objetivos do dispositivo é prevenir intervenções mais drásticas, como intubação, e evitar que o paciente seja encaminhado para um leito de UTI, o que foi bem observado no quadro de seis de 10 voluntários. A iniciativa uniu cinco entidades para seu desenvolvimento: ESP/CE e Fundação Cearense de Apoio ao Desenvolvimento Científico e Tecnológico (Funcap), Federação das Indústrias do Estado do Ceará (Fiec), Serviço Nacional de Aprendizagem Industrial (Senai/Ceará), Universidade Federal do Ceará (UFC) e Universidade de Fortaleza (Unifor) (05/11/2020). Fonte: G1

14/10/2020
Um novo modelo de ventilador pulmonar de baixo custo foi desenvolvido na Escola de Engenharia de São Carlos (EESC) da USP. A estrutura da tecnologia é composta, basicamente, por um cilindro com um êmbolo em seu interior, o qual é acionado por um motor de alta precisão. Todas as ações do sistema são controladas por um software, que define a velocidade e pressão adequadas do fluxo de ar que deve ser bombeado ao usuário, bem como a dose ideal de oxigênio, baseado na altura e sexo do paciente. Válvulas ajudam a controlar a entrada e saída dos gases (14/10/2020). Fonte: Jornal USP

13/10/2020
Está em fase de ajustes finais o protótipo de um respirador hospitalar mecânico concebido e construído na UFMG, acessível e próprio para uso em condições menos favoráveis – ele é menos sensível a temperaturas mais altas, partículas suspensas no ar e oscilações na corrente elétrica, por exemplo. Composto de 15 peças e pesando apenas cerca de 10 quilos, o equipamento pode ser construído com menos de R$ 7 mil, custo que tende a baixar com a produção em escala. O valor já inclui componentes periféricos, como mangueiras e misturador de ar com oxigênio (13/10/2020). Fonte: UFMG

09/09/2020
Artigo apresenta um projeto e a implementação de um ventilador de emergência chamado GlasVent, que é uma versão automatizada de dispositivo de ressuscitador manual, comumente conhecido como máscara de válvula grande ou bolsa de unidade de respiração manual artificial e amplamente utilizado antes de iniciar a ventilação mecânica. GlasVent usa peças mecânicas impressas em 3D, materiais amplamente disponíveis e dispositivos eletrônicos e sensores prontos para uso que podem ser montados rapidamente. Além disso, requer um treinamento mínimo e pode ser operado manualmente com as mãos ou pernas, atendendo assim aos requisitos de emergência. Após o COVID-19, tais ventiladores podem potencialmente encontrar uso no tratamento clínico de uma ampla variedade de pacientes com lesões, doenças pulmonares não transmissíveis e asma grave (06/09/2020). Fonte: Global Challenges

31/08/2020
Empresa brasileira Russer, junto com o Senai, vai produzir ventilador desenvolvido pela Nasa. O equipamento é utilizado no tratamento de pacientes da COVID-19, em quadros mais graves que precisam de apoio para garantir a respiração. A grande vantagem é o preço, que enquanto no mercado a média de preço está entre R$ 50 mil e R$ 60 mil, este deverá custar R$ 20 mil. Adicionalmente, é uma também uma vantagem robusta ter uma cadeia nacionalizada de componentes para a produção (30/08/2020). Fonte: Agencia Brasil
19/08/2020
Anvisa liberou a produção do ventilador pulmonar Inspire, desenvolvido pela Escola Politécnica (Poli) da Universidade de São Paulo (USP), após cinco meses de do anúncio do projeto e testes com o aparelho (19/08/2020).Fonte:G1

15/07/2020
O Instituto do Coração (Incor) do Hospital das Clínicas vai testar, a partir de 16 de julho de 2020, dez respiradores mecânicos para leitos de Unidades de Terapia Intensiva (UTIs) desenvolvidos pela Escola Politécnica da Universidade de São Paulo (USP). Os equipamentos foram construídos a partir de um programa que contou com doações de R$ 7 milhões, da iniciativa privada, para criar uma alternativa à importação desses equipamentos, escassos diante da pandemia do coronavírus. O trabalho de criação do modelo durou cerca de quatro meses e teve participação de 200 pessoas (15/07/2020). Fonte: Estadão, Olhar Digital
26/06/2020
Pesquisadores fornecem soluções simples para transformar um ventilador não invasivo em um invasivos para pacientes entubados. Tal proposta pode ser aplicada para substituir as estações de trabalho de anestesia, deixando essas máquinas para uso em pacientes com COVID-19 que estão aguardando a liberação de um ventilador na UTI (15/05/2020). Fonte: Revista Española de Anestesiología y Reanimación

22/06/2020
Para responder a uma das maiores demandas surgidas na pandemia de coronavírus, engenheiros do Laboratório de Propulsão a Jato da Nasa – JPL, em inglês – desenvolveram um respirador mecânico de alta pressão específico para tratamento de pacientes da COVID-19. A ideia foi criar um projeto mais simples de ser produzido do que um respirador mecânico tradicional, que pudesse ser reproduzido em todo o mundo. (18/06/2020). Fonte: Revista ISTOÉ
Autores sugerem que o capacete de suporte de ventilação (Noninvasive Pressure Support Ventilation - NIV) pode ser uma adição de baixo custo às opções ventilatórias para pacientes com COVID-19 (In press). Fonte: Journal of Cardiothoracic and Vascular Anesthesia

16/06/2020
Revisão de artigos sobre o uso da cânula nasal de alto fluxo em pacientes com COVID-19 revelou que esta pode reduzir a necessidade de ventilação invasiva e a intensificação da terapia em comparação com o oxigenoterapia convencional em pacientes com COVID-19 com insuficiência respiratória hipoxêmica aguda, mas o uso deve ser equilibrado contra o risco desconhecido de transmissão aérea (15/06/2020). Fonte: Canadian Journal of Anesthesia
09/06/2020
ABDI lança tutorial para profissionais de saúde para orientação no uso de ventiladores pulmonares no combate à COVID-19. Fonte: ABDI.
08/06/2020
Artigo compara técnicas de ventilação não invasiva, que evitam a intubação translaríngea, reduzindo a ventilação mecânica invasiva no tratamento da COVID-19 grave. Os autores incluíram 25 estudos com 3804 pacientes com insuficiência respiratória aguda e na análise descobriram que, em comparação com a oxigenoterapia padrão, a ventilação não invasiva do capacete, da máscara facial e cânula nasal de alto fluxo estão associados a um menor risco de intubação endotraqueal. Ademais, os pesquisadores verificaram que as formas de ventilação não invasiva por capacete e por máscara facial também foram associadas a um menor risco de morte (04/06/2020). Fonte: Jama
05/06/2020
Pesquisadores desnvolvem um dispositivo de oxigenação com reservatório e PEEP (ODRPEEP) em pacientes com dificuldade respiratória aguda por COVID-19 (08/05/2020) In press. Fonte: Medicina Clínica

03/06/2020
Um sistema de ventilação mecânica controlado por plataforma eletrônica desenvolvido por alunos e professores pesquisadores do Inatel, instituição de ensino e pesquisa de Santa Rita do Sapucaí, no Sul de Minas, foi transferido para a indústria e ganhará o mercado em breve. O diferencial do projeto do Inatel é o sistema de pressurização digital que deixa o controle de gases mais preciso e sem a utilização de ambu, que é um balão usado em emergência, mas que não atende todos os casos de insuficiência respiratória (11/05/2020). Fonte: EMBRAPII
18/05/2020
Capacetes de ventilação (Bolhas de Respiração Individual Controlada) começam a ser testados no Hospital das Clínicas de São Paulo. Equipamento lançado pela Life Tech Engenharia pode auxiliar no tratamento de dificuldades respiratórias e evitar intubação em até 35% dos pacientes infectados pelo coronavírus (15/05/2020). Fonte: Portal da indústria

12/05/2020
Ex-aluno do SENAI desenvolve protótipo de respirador mecânico. O projeto está sendo executado em Maceió. O objetivo é entregar um protótipo de respirador mecânico com as vantagens do baixo custo e da rapidez na fabricação (12/05/2020). Fonte: Portal da Indústria
Respirador criado pelo SENAI do Rio Grande do Norte aguarda aprovação da Anvisa. O protótipo de respirador mecânico está em avaliação de calibração e testes para, em seguida, ser submetido ao órgão regulador para validação e fabricação em série (12/05/2020). Fonte: Portal da indústria
08/05/2020
FIEC finaliza protótipo de capacete de respiração assistida. O modelo, em produção no Ceará, passava por ajustes finais e agora será submetido a testes de usabilidade, antes de entrar na fase de ensaio clínico (08/05/2020). Fonte: Portal da indústria
07/05/2020
No Brasil, uma iniciativa desenvolveu sua própria versão de mascaras de mergulho adaptadas para funcionarem como respiradores artificiais. A empresa está perto de distribuir 2.200 unidades para auxiliar no combate à Covid-19. O protótipo nacional é muito semelhante ao italiano. A diferença está na válvula que serve como adaptador da máscara à fonte de oxigênio, feita através de uma impressora 3D. Os modelos foram testados em seis hospitais de São Paulo, Minas Gerais e Rio Grande do Sul. E as primeiras doações já foram feitas, mas apenas para cidades que já sofrem com o colapso em seu sistema de saúde: Belém (81 unidades), Santarém no Pará (63) e Manaus (54). O grupo ainda aguarda a liberação da Anvisa para dar continuidade à distribuição do material. (07/07/2020) Fonte: Jornal O Sul
06/05/2020
A nota técnica descreve o design preliminar de um ventilador simples, fácil de usar e fácil de construir, com um design exclusivo que pode ser usado para pacientes com COVID-19 em emergências. Pode ser montado por um especialista como uma solução caseira, sem a necessidade de equipamento ou tecnologia específica. O sistema proposto é novo, barato, tem uma dependência reduzida de energia externa e é muito fácil de manter (06/05/2020). Fonte: Research Gate

05/05/2020
A FIESP, por meio do SENAI, fortaleceu a parceria com a Escola Politécnica (Poli), da USP, para o projeto Inspire. O grupo da Poli é responsável por tirar do papel, de forma pioneira, o protótipo de um ventilador pulmonar de baixíssimo custo e fácil fabricação cuja função é a de suprir a alta demanda pelo aparelho hospitalar em razão da pandemia do Covid-19. O Inspire deverá ser um turning point nas experiências de suporte à vida. Principalmente, em regiões remotas do país. Depois de aprovado na fase de testes técnicos, o equipamento aguarda aprovação da ANVISA (05/05/2020). Fonte: Portal da Indústria
30/04/2020
Tendo em vista a falta de ventiladores mecânicos, o presente estudo faz um análise do uso de ventiladores de anestesia para ventilação mecânica de pacientes com COVID-19 (28/04/2020). Fonte: Anaesthesia Critical Care & Pain Medicine.
28/04/2020
A Anvisa autorizou a importação, a comercialização e a doação de equipamentos usados que são indispensáveis em unidades de terapia intensiva (UTIs). A medida foi tomada em função da emergência de saúde pública relacionada à Covid-19. A autorização inclui ventiladores pulmonares, monitores de sinais vitais, bombas de infusão, equipamentos de oximetria (que medem o nível de oxigênio no sangue) e capnógrafos (registram a pressão parcial de CO2 – dióxido de carbono – durante o ciclo respiratório) (28/07/2020). Fonte: ANVISA
A incubadora Tecnológica de Empresas, com o suporte operacional do FabLab do Sesi, e o apoio científico da Faculdade de Medicina de Jundiaí (FMJ), criou e desenvolveu um respirador de baixo custo para combate à pandemia do coronavírus. O projeto da startup, que conta com o suporte da Prefeitura de Jundiaí, por meio da Unidade de Gestão de Desenvolvimento Econômico, Ciência e Tecnologia (UGDECT), já resultou em um protótipo, batizado de Moses. Foram seis semanas de intenso trabalho para o desenvolvimento de um equipamento simples e portátil, que vai atender às demandas nacionais e internacionais. O protótipo foi avaliado na última sexta-feira (24) por uma junta médica da FMJ e o próximo passo do equipamento é passar pelos os testes clínicos requeridos pela Anvisa. (27/04/2020). Fonte: Prefeitura de Jundiaí.
A MDI Industrial, selecionada no Edital da Inovação, parceria entre ABDI, SENAI - Serviço Nacional de Aprendizagem Industrial e EMBRAPII - Empresa Brasileira de Pesquisa e Inovação Industrial, está desenvolvendo o primeiro sensor e monitor de capnografia fabricado no Brasil. O aparelho serve para monitorar o CO2 exalado pelos pacientes, auxiliando o trabalho de profissionais da saúde. (28/04/2020). Fonte.: ABDI
27/04/2020
Ventilador pulmonar emergencial criado por engenheiros da USP é aprovado nos testes.
Testes com animais, seres humanos e avaliações técnicas mostraram eficiência do respirador; aparelho pode ser fabricado em duas horas, a um custo 15 vezes menor que os disponíveis no mercado. (22/04/2020) Fonte: USP
23/04/2020
Equipe de pesquisadores da Universidade de Barcelona, Espanha, desenvolveu um ventilador não invasivo, de baixo custo e de fácil execução e disponibilizou as especificações do aparelho em artigo publicado no dia 16 de abril de 2020 (European Respiratory Journal) (21/04/20). Fonte: Revista Galileu
20/04/2020
Grupo de Barretos, SP, cria protótipo, ainda em fase de testes, que permite o compartilhamento dos respiradores entre duas e até quatro pessoas. Pesquisadores montaram válvula que é ligada diretamente aos ventiladores. Aplicativo rastreia pacientes com características respiratórias semelhantes. (20/04/2020) Fonte: G1
17/04/2020
Anvisa elaborou um passo a passo simplificado sobre as etapas de desenvolvimento de ventiladores pulmonares, com o objetivo de ampliar a capacidade produtiva. (16/04/2020) Fonte: ANVISA
16/04/2020
O projeto de um capacete de respiração assistida vem sendo desenvolvido em ação multi-institucional envolvendo a Universidade Federal do Ceará, a Universidade de Fortaleza (UNIFOR) e a Federação das Indústrias do Estado do Ceará (FIEC), através do Serviço Nacional de Aprendizagem Industrial (SENAI Ceará), no contexto da pouca disponibilidade de respiradores mecânicos nas unidades de saúde do Estado, em razão do aumento exponencial de novos casos de COVID-19. A alternativa, cujo protótipo elaborado pelo SENAI Ceará será apresentado em videoconferência na manhã desta sexta-feira (17), tem o apoio da Fundação Cearense de Apoio ao Desenvolvimento Científico e Tecnológico (FUNCAP) e da Escola de Saúde Pública do Ceará (ESP) (16/04/2020). Fonte: UFC
Empresa disponibiliza acesso a dados de código aberto para impressão tridimensional de divisores de ventilador para permitir que vários pacientes compartilhem um único ventilador em situações de desastre. (10/04/2020). Fonte: Anesthesiology
15/04/2020
Unicamp desenvolve sistema computacional com base de modelagem matemática capaz de simular a forma com que o ar liberado por ventiladores pode se comportar nos pulmões dos pacientes facilitando o trabalho de médicos que foram realocados ou voluntários, que não realizavam esses procedimentos em sua rotina diária (14/04/2020). Fonte: Unicamp
14/04/2020
Em meio à pandemia de coronavírus, o Ministério da Economia reorganizou temporariamente em 11 forças-tarefas todas as áreas relacionadas ao setor produtivo para articular ações de combate à covid-19 e mitigar os impactos econômicos causados pela situação de crise sanitária. Uma das principais respostas obtidas com essa articulação foi o aumento da oferta de equipamentos e insumos “críticos” na luta contra a doença pela indústria nacional. (14/04/2020) Fonte: ABIMAQ
Grupo de Estudos e Pesquisas em Engenharia Criativa (Gepec), que une três departamentos da Universidade Federal do Rio Grande do Sul (UFRGS) e busca, de forma criativa, solucionar problemas e atender demandas da sociedade. O Gepec-Vent é uma das soluções desenvolvidas para auxiliar no enfrentamento à Covid-19: um respirador pulmonar de baixo custo, com fácil montagem, simples operação e manutenção (14/04/2020). Fonte: UFRGS
A Anvisa vem implementando ações extraordinárias e excepcionais para ampliar a capacidade produtiva de equipamentos essenciais ao enfrentamento da Covid-19. As medidas incluem a publicação da Resolução da Diretoria Colegiada (RDC) 356/2020, que flexibiliza, simplifica e agiliza processos de regularização sanitária de equipamentos médicos (10/04/2020). Fonte: ANVISA
ABDI e Abin desenvolvem plataforma que vai mapear as Unidades de Terapia Intensiva (UTIs) disponíveis no país para pacientes contaminados com o coronavírus, além de identificar a localização exata dos cerca de 65 mil ventiladores pulmonares existentes hoje no sistema de saúde público e privado( 09/04/2020). Fonte: ABDI
03/04/2020
A UFPB tem várias iniciativas para ajudar no combate ao COVID-19, uma delas é um respirador 37 vezes mais barato que ficará com licença aberta para empresas produzirem (03/04/2020). Fonte: UFPB
Técnicos do Núcleo Odonto-Médico-Hospitalar do SENAI de São Paulo capacitam General Motors, Scania, Toyota e Honda a realizar reparos nos equipamentos médicos. “Nosso objetivo é fazer uma rede de recuperação de respiradores, que é um dos equipamentos essenciais no tratamento dos casos mais graves da covid-19”, afirma o presidente da Federação das Indústrias do Estado de São Paulo (FIESP) e do SENAI/SP, Paulo Skaf (03/04/2020). Fonte: CNI
02/04/2020
SENAI Amazonas desenvolve protótipo de respirador pneumático, como alternativa para os modelos utilizados nos hospitais com necessidade de expandir esses equipamentos para atendimento aos pacientes infectados por coronavírus. Trabalham no protótipo do SENAI/AM técnicos e instrutores da área de Mecatrônica da Escola SENAI Antônio Simões. SENAI Amazonas, Samel e Instituto Transire vão trabalhar juntos para tornar o protótipo totalmente funcional no menor espaço de tempo possível (02/04/2020). Fonte: SENAI/AM
01/04/2020
A companhia catarinense WEG S.A. assinou um acordo de transferência de tecnologia com a empresa Leistung Equipamentos - fabricante de Equipamento Médico-Hospitalares - para produzir respiradores artificiais que serão utilizados por pacientes com COVID-19 (01/04/2020). Fonte: Portal da Indústria.
O SENAI e dez grandes indústrias se uniram para realizar a manutenção de respiradores mecânicos que estão sem uso, a fim de ajudar no tratamento de pacientes com COVID-19. Desde segunda-feira, dia 30 de março, foram disponibilizados 25 pontos, em 13 Estados para recepção dos equipamentos. A rede voluntária conta com a participação das seguintes empresas: ArcelorMittal, Fiat Chrysler Automóveis (FCA), Ford, General Motors, Honda, Jaguar Land Rover, Renault, Scania, Toyota e Vale. Fonte: Portal da Indústria
31/03/2020
Parceria firmada entre Coppe/UFRJ e Petrobras contribuirá no desenvolvimento e produção de protótipos de ventiladores pulmonares mecânicos para atender à demanda crescente desse tipo de equipamento no tratamento do COVID-19. A companhia mobilizou suas impressoras 3D, instaladas em seu centro de pesquisas (CENPES) e está acionando seus especialistas para prestar consultoria técnica. A intenção é testar os protótipos nos próximos dias, para então produzi-los em larga escala, de forma mais simplificada e barata. A cooperação técnica da Petrobras abrange conhecimento em impressão 3D, em propriedade intelectual, além de conhecimento especializado em transição da fase de prototipagem para produção do produto (31/03/2020). Fonte: COPPE-UFRJ
Projeto de ventilação - OxVent de pesquisadores da Universidade de Oxford recebe sinal verde do governo do Reino Unido para avançar para a próxima etapa dos testes. (31/03/2020). Fonte: Oxford
27/03/2020
Pesquisadores da Escola Politécnica (Poli) da USP estão desenvolvendo o projeto de um ventilador pulmonar mecânico que eles consideram simples, mas que mantém, segundo testes de subsistemas, muitas funcionalidades em relação aos respiradores convencionais. Estes ventiladores poderá ser produzido por fabricantes autorizados (27/03/2020). Fonte: USP
Pesquisadores do Programa de Engenharia Biomédica (PEB) da Coppe/UFRJ estão desenvolvendo um protótipo de ventilador pulmonar mecânico para ser reproduzido em massa, de forma simples, rápida e barata, com recursos disponíveis no mercado nacional (27/03/2020). Fonte: UFRJ
MIT desenvolve ventilador barato para ajudar no tratamento da COVID-19 (27/03/2020). Fonte: MIT
